产品属性
| 品牌 | XLSEMI/上海芯龙 | 批号 | 24+ |
| 封装 | SOP-8 | 仓库 | 深圳 |
交易说明:
- 劲锐佳只做原装现货假一赔万,13年一级代理商,免费技术支持
产品详情
XL1410E1广告机电源管理IC
XL1410E1广告机电源管理IC概述:
XL1410E1广告机电源管理IC是一款单芯片异步降压电源芯片,XL1410E1广告机电源管理IC集成100m? 的流制。MOSFET ,可提供8-30V之间宽电压输入2A连续负载电流。电流模式控制下提供快速瞬响应和逐周期电软启动时间可调可防止浪涌电流导通和关断模式,电源电流降至1μA以下
XL1410E1广告机电源管理IC特点:
1、2A连续输出电流
2、8-30V宽工作电压输入
3、集成了100m? 的MOSFET开关功率管
4、输出1.8-28V可调
5、高达90%的效率
6、可编程软启动
7、稳定的低ESR陶瓷输出电容器
8、固定135KHz工作频率
9、逐周期过流保护
10、输入欠压锁定
11、耐热增强型8引脚SOIC封装
XL1410E1广告机电源管理IC引脚图:
XL1410E1广告机电源管理IC引脚定义:
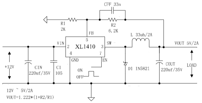
XL1410E1广告机电源管理IC原理图:
深圳劲锐佳科技有限公司是上海芯龙半导体股份公司XLSEMI电源ic,电源管理ic授权一级代理商,深圳劲锐佳科技有限公司可以为客户提供免费的选型推荐、全程技术服务与支持,现货库存,所有货品都为源厂源包出货,有完善的售后服务,欢迎新老客户洽谈合作。劲锐技术,与你同步!
